2SK型水環式真空泵的工作原理及指示圖
時間:2012-12-8 來源:揚子江泵業 瀏覽數:984
|
一、2SK型水環式真空泵概述: |
||||||||||||||||||||||||||||||||||||||||||||||||||||||||||||||||||||||||||||
三、2SK型水環式真空泵的型號意義: ![]() |
||||||||||||||||||||||||||||||||||||||||||||||||||||||||||||||||||||||||||||
| 四、2SK型水環式真空泵的性能參數表: | ||||||||||||||||||||||||||||||||||||||||||||||||||||||||||||||||||||||||||||
|
||||||||||||||||||||||||||||||||||||||||||||||||||||||||||||||||||||||||||||
注:1、表中所列2SK型水環式真空泵性能指標及性能曲線指下列規定條件下的性能指標: ① 大氣壓力為0.1013MPa(760mmHg) ② 進水溫度15℃ ③ 吸入空氣溫度20℃ ④空氣相對溫度70% 2、供水量為吸入壓力-0.05MPa(-400mmHg)時的數值,極限真空時可大于此值。 3、性能允差±10% |
||||||||||||||||||||||||||||||||||||||||||||||||||||||||||||||||||||||||||||
五、2SK型水環式真空泵的工作原理及指示圖: 2SK型水環式真空泵工作原理如圖一所示,葉輪(5)偏心地裝在泵體(3)內,當葉輪旋轉時,水受離心力的作用向四周甩出,在2SK型水環式真空泵體內壁與葉輪之間形成旋轉水環(6)。水環上部內表面與葉輪輪轂相接觸,當葉輪沿順時針方向轉動時,在前半轉的過程中,水環內表面逐漸與輪轂脫離,相鄰兩葉片之間所形成的空腔逐漸增大,被抽氣體通過泵進氣管(4),經月牙形吸氣孔(7)不斷被吸入空腔內;后半轉的過程中,水環內表面逐漸與輪轂接近,兩相鄰葉片之間空腔逐漸縮小,氣體被壓縮,因而壓力不斷增加,當壓力增加到大于外界壓力時,氣體被排出,從而不斷地抽走密封容器的氣體,使其形成一定的真空。 |
||||||||||||||||||||||||||||||||||||||||||||||||||||||||||||||||||||||||||||
![]() 圖一:2SK型水環式真空泵工作原理指示圖 1.排氣管 2.出氣孔 3.泵體 4.進氣管 5.葉輪 6.水環 7.吸氣孔 |
||||||||||||||||||||||||||||||||||||||||||||||||||||||||||||||||||||||||||||
六、2SK型水環式真空泵的結構說明: ①抽氣量1.5m3/min以上2SK水環真空泵的結構如圖二所示,長短兩葉輪17和16用鍵固定在軸2上,兩葉輪中間用軸套20定位,并用園螺母鎖緊,這就構成了整個轉子部分,并且偏心地安裝在泵體內,支承在兩個單列向心球軸承上,轉予部分用聯軸器18與電機軸相聯,使之與電機一起以同樣轉速轉動,長葉輪17、長泵體9和吸入部分組成高真空級,短泵體5、短葉輪16和排出部分組成低真空級,高真空級的排氣口和低真空級的吸入口用連通管聯接(2SK-1.5無此連通管)成為雙級串聯,兩級之間用中間壁(A)7和中間壁(B)6隔開,中間壁(A)上有排氣孔,中間壁(B)上有吸氣口。 |
||||||||||||||||||||||||||||||||||||||||||||||||||||||||||||||||||||||||||||
![]() 圖二:抽氣量1.5m3/min(2SK—1.5)以上兩級水環泵結構圖 1、后軸承壓蓋 2、軸 3、軸承架 4、前后端蓋 5、短泵體 6、中間壁(B) 7、中間壁(A) 8、拉緊螺栓 9、長泵體 10、連通管 11、調整墊 12、油杯 13、前軸承壓蓋 14、填料壓蓋 15、后蓋園盤 16、短葉輪 17、長葉輪 18、泵聯軸器 19、電機聯軸器 20、軸套 21、進水孔 22、前蓋園盤 |
||||||||||||||||||||||||||||||||||||||||||||||||||||||||||||||||||||||||||||
②2SK-0.4、2SK-0.8兩級水環真空泵結構如圖三所示,其高低真空級結構與圖二所示泵基本相同(無連通管)。采用特制加長軸電機,長、短葉輪用鍵固定于軸上,但可做軸向浮動,偏心地置于長短泵體內。 2SK水環真空泵兩端的密封采用油浸石棉盤根或機械密封。 高真空級的一端有進水孔,補充水由此進入高真空級的長泵體內,低真空級的補充水是由高真空級排出的。(2SK-12、2SK-20、 2SK-30低真空級的補充水也從供水管供入一部分,但要通過閥來調節其量的大小)。高、低真空級是由拉緊螺栓而牢固地連接在一起。 |
||||||||||||||||||||||||||||||||||||||||||||||||||||||||||||||||||||||||||||
![]() 圖三:2SK-0.4、 2SK-0.8兩級水環真空泵結構圖 1.后蓋2.油杯3.軸承擋圈4.軸承壓蓋子5.填料壓蓋6.軸承架7.排氣圓盤8.短葉輪9.短泵體10.長泵體11.長葉輪12.吸氣圓盤13.前蓋14.進水孔15.底盤16.加長軸電機 |
||||||||||||||||||||||||||||||||||||||||||||||||||||||||||||||||||||||||||||
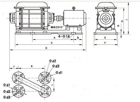
七、2SK型水環式真空泵的安裝尺寸圖: ①2SK-1.5、3、6兩級水環真空泵外形及安裝尺寸: |
||||||||||||||||||||||||||||||||||||||||||||||||||||||||||||||||||||||||||||
![]()
|
||||||||||||||||||||||||||||||||||||||||||||||||||||||||||||||||||||||||||||
| ②2SK-12兩級水環真空泵外形及安裝尺寸: | ||||||||||||||||||||||||||||||||||||||||||||||||||||||||||||||||||||||||||||
![]() |
||||||||||||||||||||||||||||||||||||||||||||||||||||||||||||||||||||||||||||
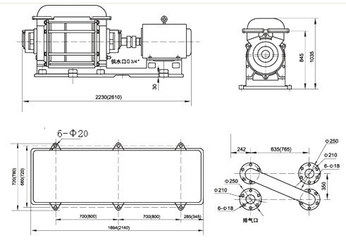
| ③2SK-20、30兩級水環真空泵外形及安裝尺寸: | ||||||||||||||||||||||||||||||||||||||||||||||||||||||||||||||||||||||||||||
![]() |
||||||||||||||||||||||||||||||||||||||||||||||||||||||||||||||||||||||||||||
| 八、2SK型水環式真空泵的常見故障原因與解決辦法: | ||||||||||||||||||||||||||||||||||||||||||||||||||||||||||||||||||||||||||||
|
||||||||||||||||||||||||||||||||||||||||||||||||||||||||||||||||||||||||||||
感謝您訪問我們揚子江泵業的網站www.bodabiopharm.cn,如有任何水泵疑問我們一定會盡心盡力為您提供優質的服務.
- 下一篇:深井變頻調速恒壓供水設備原理圖
- 上一篇:SZB型水環式真空泵的結構說明












