25ZXPB3-32型防爆不銹鋼自吸泵甲醇泵甲醇汽油泵安裝尺寸圖
時間:2013-11-4 來源:揚子江泵業 瀏覽數:783
一、產品概述:

ZX型臥式自吸離心泵,(簡稱自吸泵)該型式泵與其它型式的自吸離心泵比較,因為泵本身沒有逆止閥,結構為簡單;工作為可靠;無 故障工作時間長,維護、使用方便、體積小、重量輕、效率高、在設計上做了特別的考慮與 相同口徑的泵比較,排量大、性能高。
ZX型泵是臥式自吸離心泵在工農業生產、搶險救助,如排澇、救火中作為應急泵使用效能更為突出。 ZX型泵廣泛適用石 油、化工、冶金、機械、化纖、食品、能源、交通等工業部門城市給水、亦可用于農業排灌、 噴灌。供輸送清水或粘度小于5°E,溫度低于80℃物理及化學性質類似清水的其它液體。
二、產品用途:
ZX型泵是臥式自吸離心泵適用于城市環保、建筑、消防、化工、制藥、染料印染、釀造、電力、電鍍、造紙、石油、礦山、設備冷卻、油輪卸油等。
適用于清水、海不、水及帶有酸、堿度的化工介質液體和帶有一般糊裝的漿料(介質粘度≤100厘珀、含固量可達30%以下)。
裝上搖臂式噴頭,又可將水沖到空中后,散成細小雨滴進行噴霧,是農藥、苗圃、果園、茶園的良好機具。
可和任何型號、規格的壓濾機配套使用,將漿料送給濾機進行壓濾的理想配套泵種。
三、技術參數:
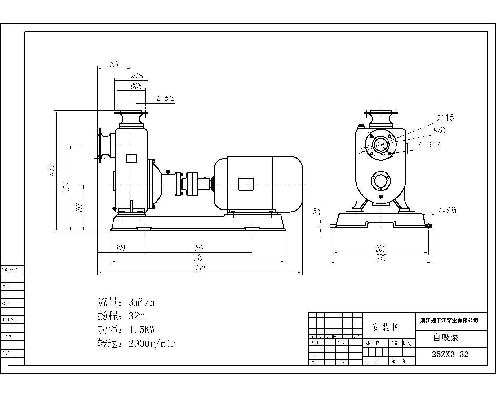
流量:3~600m3/h;
揚程:12~80m;
轉速:2900、1450r/min;
功率:0.75~132KW;
進口直徑:25~300mm;
高工作壓力:1.6Mpa。
四、型號意義:
例如:50ZX12.5-50PB
50-吸入口直徑(mm)
ZX-自吸泵
12.5-流量(m3/h)
50-揚程(m)
P-材質不銹鋼
B-防爆電機

ZX型臥式自吸離心泵性能參數:
|
型號 |
流量 (m3/h) |
揚程 |
電機功率 (kw) |
轉速 |
吸程 |
自吸性能 |
|
25ZX3-20 |
3 |
20 |
1.5 |
2900 |
6.5 |
1.9 |
|
25ZX3-32 |
3 |
32 |
1.5 |
1.8 |
||
|
32ZX3.2-32 |
3.2 |
32 |
1.5 |
1.8 |
||
|
32ZX3.2-50 |
3.2 |
50 |
3 |
1.8 |
||
|
40ZX6.3-20 |
6.3 |
20 |
1.5 |
1.9 |
||
|
40ZX6.3-32 |
6.3 |
32 |
2.2 |
1.8 |
||
|
40ZX10-40 |
10 |
40 |
4 |
1.5 |
||
|
40ZX12.5-50 |
12.5 |
50 |
5.5 |
1.5 |
||
|
50ZX15-12 |
15 |
12 |
1.5 |
2.4 |
||
|
50ZX18-20 |
18 |
20 |
2.2 |
2.4 |
||
|
50ZX20-30 |
20 |
30 |
4 |
1.5 |
||
|
50ZX12.5-32 |
12.5 |
32 |
3 |
1.5 |
||
|
50ZX15-40 |
15 |
40 |
4 |
1.5 |
||
|
50ZX12.5-50 |
12.5 |
50 |
5.5 |
1.5 |
||
|
50ZX15-60 |
15 |
60 |
7.5 |
1.3 |
||
|
50ZX20-75 |
20 |
75 |
11 |
1.3 |
||
|
65ZX30-15 |
30 |
15 |
3 |
2.0 |
||
|
65ZX25-32 |
25 |
32 |
5.5 |
1.5 |
||
|
65ZX25-50 |
25 |
50 |
7.5 |
1.3 |
||
|
65ZX25-75 |
25 |
75 |
11 |
1.3 |
||
|
80ZX35-18 |
35 |
18 |
3 |
6 |
3.4 |
|
|
80ZX43-17 |
43 |
17 |
4 |
1.8 |
||
|
80ZX40-22 |
40 |
22 |
5.5 |
1.9 |
||
|
80ZX50-32 |
50 |
32 |
7.5 |
1.5 |
||
|
80ZX60-55 |
60 |
55 |
18.5 |
1.5 |
||
|
80ZX60-70 |
60 |
70 |
22 |
1.2 |
||
|
100ZX100-20 |
100 |
20 |
11 |
1.8 |
||
|
100ZX100-40 |
100 |
40 |
18.5 |
1.8 |
||
|
100ZX100-65 |
100 |
65 |
30 |
1.8 |
||
|
100ZX70-80 |
70 |
80 |
30 |
1.8 |
||
|
150ZX160-55 |
160 |
55 |
45 |
5 |
1.8 |
|
|
150ZX150-80 |
150 |
80 |
55 |
1.2 |
||
|
200ZX400-32 |
400 |
32 |
55 |
1450 |
2.0 |
|
|
200ZX280-63 |
280 |
63 |
90 |
1.5 |
||
|
250ZX350-65 |
350 |
65 |
110 |
1.5 |
||
|
250ZX550-32 |
550 |
32 |
75 |
2.0 |
||
|
250ZX400-50 |
400 |
50 |
90 |
2.0 |
||
|
250ZX450-55 |
450 |
55 |
110 |
2.0 |
||
|
300ZX600-32 |
600 |
32 |
90 |
2.0 |
||
|
300ZX500-50 |
500 |
50 |
110 |
2.0 |
||
|
300ZX550-55 |
550 |
55 |
132 |
2.0 |
- 下一篇:潛水排污泵配液位控制器帶浮球工作原理
- 上一篇:戶外型水泵軟啟動控制柜原理





